Redundancy design is adopted, and which can provide safe and reliable braking torque for the drilling rig.
Hydraulic Disc Brake
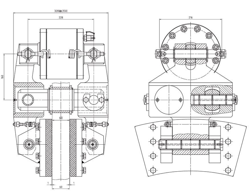
描述
Product Name: Hydraulic Disc Brake
PZ Series Hydraulic Disc Brake
Overview
Redundancy design is adopted, and which can provide safe and reliable braking torque for the drilling rig.
The control system adopts valve block embedded connection structure, which can reduce quantity of external hose.
By virtue of working brake, parking brake, over-roll protection, and emergency brake functions, and it also has automatic protective functions for power, air and hydraulic failures.
Equipped with the dual electric pumps and multi-accumulator, and also equipped with the hand pump, heater unit and cooling system, which can supply the reliable hydraulic power for the hydraulic disc brake.
Application
In the field of oil and gas equipment, the hydraulic disc brake is mainly used as the main brake for drilling drawworks of the workover rig and the rig.
Model
The commonly used product models of the PZ series hydraulic disc brake are as follows: PSZ65,3150L,PSZ75A,BK-0-6A,PSZ65,PSZ75B-2-07.5,PSZ65-2-00,PSZ75B,BK-7-7B,PSZ75-2-00,BK-7-6C,PSZ65-3-00,PSZ75-3-03,BK-12-7A,BK-1-6A,BK-1-7A,PSZ75,PSZ80,PSZ65-2-01,PSZ75A-2-01,PSZ75B,BK-12-7A,PSZ75B-3-03,etc.
Main Technical Specifications
Hot Tags: hydraulic disc brake, suppliers, factory, pricelist, in stock, made in China, 5400900008, Raising Cylinder, P0300093AA, Z07120000020AA, 5400700013, 146469A




